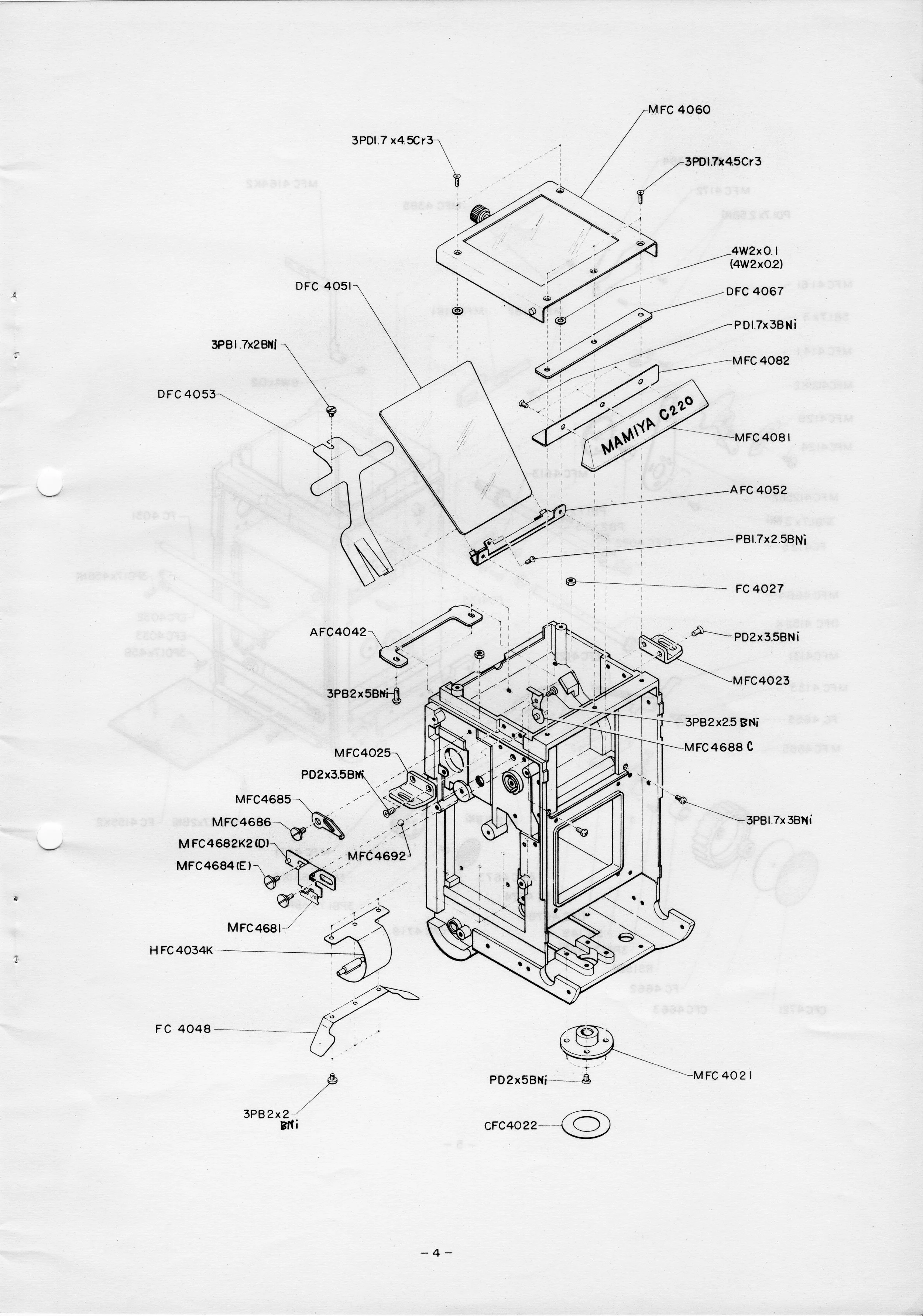
Mamiya C220 Exploded Diagram and Parts Catalog, August 1975 Nov 3 Written By Greg (Camera Reflections) Parts Catalog and Exploded Diagram Greg (Camera Reflections)
Mamiya C220 Exploded Diagram and Parts Catalog, August 1975 Nov 3 Written By Greg (Camera Reflections) Parts Catalog and Exploded Diagram Greg (Camera Reflections)